Question
Explain why it is necessary to have reverse power protection for
alternators intended for operation,
(b) (i) Sketch a reverse power trip.
(ii) Explain briefly the, principle on which the,
operation of this power trip is based and how tripping is activated.
Generators intended to operate in
parallel must have ‘Reverse Power Protection’.
A reverse power relay monitors
the direction of power flowing between the generator and the switchboard.
If a prime-mover failure occurred
the generator would act as a motor.
The reverse power relay detects
this fault and acts to trip the generator circuit-breaker.

Need for Reverse Power Protection
When two or more a.c. generators operate in parallel to supply the ship's
load, then it is possible that some fault will develop on one generator set
(e.g. loss of steam supply or fuel supply to prime mover), and that set will no
longer contribute to supplying the ship's load.
The faulted set will not stop; it
will continue to run in the same direction and at the same speed.
The generator will now be acting
as a synchronous motor driving its own prime mover, and taking power from the
bus-bars instead of supplying it as it should, i.e. a reversal of power flow
occurs.
The faulted set must be stopped
by tripping its circuit breaker so disconnecting it from the bus-bars because:
Damage may be caused to the prime
mover, e.g. due to failure of the lubricating oil system.
The remaining healthy generators
will probably be overloaded due to now having to supply all
the ships load
and in addition having to supply power to the faulted set
Even if no damage is likely to
the generator set, this is a fault condition and, as such, is undesirable.
Regulations state that where two
or more generators are required to operate in parallel to supply the ships
electrical load then a Reverse Power Protection device should be fitted to each
generator.
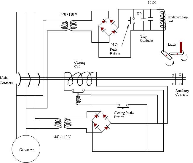
In the event of reverse power,
the fault is sensed by the reverse-power relay which then closes the contact RP
which is connected into the ACB circuit as shown in Figure 1.
This de-energised the no-volt
coil to release the latch and trips the ACB.
Reverse power occurs when two (or
more) generators are running in parallel.
When there is a loss of
prime-mover power, the driven generator acts as a motor and
impose a heavy load on the remaining sets in parallel.
To obviate overload trip in the
other generators, its ACB must be released.

Figure 1

Figure 3
The reverse power relay is
similar in construction to the electricity supply meter.
The lightweight non-magnetic aluminum disc, mounted on a spindle which has low-friction
bearings is positioned in a gap between 2 electromagnets. The upper electro-magnet has a voltage coil
connected through a transformer between one phase and an artificial neutral of
the alternator output.
The lower electromagnet has a
current coil also supplied from the same phase through a transformer.
Magnetic fields are produced by
the voltage and current coils.
Both fields pass through the aluminum disc and cause eddy currents.
The effect of the eddy currents
is that a torque is produced in the disc.
With normal power flow, trip
contacts on the disc spindle are open and the disc bears against a stop.
When power reverses, the disc
rotates in the other direction, away from the stop and the contacts are closed
so that the breaker trip circuit is energised.
A time delay of 5 seconds
prevents reverse power tripping due to surges at synchronising.
|
Reverse
Power |
5 % of rated
power |
5 seconds |