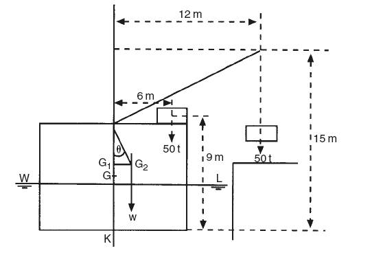
Question
A ship of 9900 tonnes displacement has KM[1]7.3m and KG[1]6.4m. She has yet to
load two 50 tonne lifts with her own gear and the
first lift is to be placed on deck on the inshore side (KG 9m and centre of
gravity 6m out from the centre line). When the derrick plumbs the quay its head
is 15m above the keel and 12m out from the centre line. Calculate the maximum
list during the operation.
Note. The maximum list will obviously occur when the first lift is in
place on the deck and the second weight is suspended over the quay as shown in Figure.

Moments about the keel.
Weight KG Moment
9900 6.4 63360.
50 9.0 450.
50 15.0
750.
10000
64560.
Final KG = Final moment / Final displacement
645660/10000.
Final KG = 6.4561m
(KG1).
That is, a rise of 0.056m above the original KG of 6.4m.
Moment about the centerline

Listing moment = 900 tones m
But listing moment = W X G1G2.
Therefore
W X G1G2 = 900
G1G2 = 900 / 10000
G1G2 = 0.09m
GG1 = KG1 –KG = 6.45 – 6.400 = 0.056M
GM = KM – KG = 7.3 – 6.4
GM = 0.9m